Skip to main content

Simple to Specify Clamp icon Easy to Order Clamp icon Rapid to Assemble

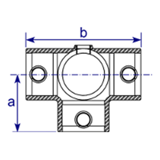
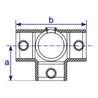
176 - Raccord en croix 3 entrées

Souvent utilisé dans les grandes structures tubulaires avec le passage vertical à travers le raccord. Le tube de passage (verticale photo) ne peut pas être joint à l'intérieur du raccord.

Données & Dimensions produit

Taille a (mm) b (mm) Poids (kg) Box Qty* Part No
  AA21       0.3   0   176-AA21
  A27   41   82   0.36   75   176-A27
  B34   46   92   0.50   50   176-B34
  C42   60   120   0.79   25   176-C42
  D48   68   136   0.94   21   176-D48
  E60   84.5   169   1.53   10   176-E60

*Les raccords sont vendus à l’unité et non par boite. Les quantités contenues dans chaque boite peuvent varier sans préavis.

Les illustrations sont données seulement à titre indicatif et les mesures comme les poids sont sujets à des tolérances de fabrication; ils peuvent être modifiés sans préavis.

Do not perform any pre-drilling, tube cutting, casting uprights or any other dimensionally critical processes prior to receiving fittings.

Découvrez comment ce site Web utilise les cookies pour améliorer votre expérience de navigation. En savoir plus