Skip to main content

Simple to Specify Clamp icon Easy to Order Clamp icon Rapid to Assemble

144 - Accroche murale (socle verticale)

Ce raccord est souvent utilisé pour attacher garde-corps aux murs, aux escaliers et aux rampes. Dans la forme standard, le tube ne peut pas passer à travers le fond du raccord, bien que le raccord peut être modifié pour tenir compte de ce à un coût supplémentaire.

N.B. L'accès à l'un des trous de fixation est limitée et peut limiter la longueur et le type de fixation qui peuvent être utilisés. En fonction des exigences de charge, le type 145 peut parfois être utilisé comme une alternative.

 

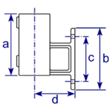
Données & Dimensions produit

Taille a (mm) b (mm) c (mm) d (mm) e (mm) Hole Dia (mm) Poids (kg) Box Qty* Part No
  B34   109   95   67   57   45   15   0.92   41   144-B34
  C42   112   110   72   63.5   54   14   1.20   24   144-C42
  D48   120   120   89   73   63   14   1.37   20   144-D48

*Les raccords sont vendus à l’unité et non par boite. Les quantités contenues dans chaque boite peuvent varier sans préavis.

Les illustrations sont données seulement à titre indicatif et les mesures comme les poids sont sujets à des tolérances de fabrication; ils peuvent être modifiés sans préavis.

Do not perform any pre-drilling, tube cutting, casting uprights or any other dimensionally critical processes prior to receiving fittings.

Découvrez comment ce site Web utilise les cookies pour améliorer votre expérience de navigation. En savoir plus